Warning: SessionHandler::read(): open(/var/www/100500kotlov.ru/data/mod-tmp/sess_a8439f00f62f11cb2220a59bffc5397d, O_RDWR) failed: No space left on device (28) in /var/www/100500kotlov.ru/data/www/kotlom.ru/vendor/symfony/http-foundation/Session/Storage/Proxy/SessionHandlerProxy.php on line 59
Золоуловитель ЗУ-2-1 — купить в Омске | Цена от 90000 рублей

Золоуловитель ЗУ-2-1

Цена
90 000 р.
Доставляем Циклоны и золоуловители
в г. Омск

Кратко о характеристиках

МаркаЗУ-2-1

Золоуловитель ЗУ-2,1 в Тамбове устанавливается в хвостовой части механических и ручных водогрейных котлов. Прибор устраняет частицы золы и шлака на первоначальном этапе очистки дымовых газов, не допуская попадание в атмосферу вредных для человека зольных частиц.

Характеристики

Марка
ЗУ-2-1
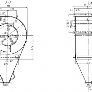
Габаритные размеры (ДхШ), мм
870х750х1625
Масса, кг
130
Производительность, м³/ч
1200
Цена, руб.
90000
Тип циклона Золоуловитель
Серия
ЗУ-2
Как все происходит
на видео
Смотреть видео галерею
Возникли
вопросы?
Закажите консультацию
Или позвоните
8 (800) 551-45-60
Ответим на вопросы
Расскажем о скидках
Презентуем товар
Поможем выбрать
Доставляем Циклоны и золоуловители
в г. Омск

Устройство и принцип работы

Золоуловитель ЗУ-2,1 – это горизонтальный корпус (циклон) с входным отверстием, через которое поступает дымовой газ и движется между стенками золоуловителя. Твердые частицы, которые выделяются из очищаемого газа, попадают в бункер, а затем очищаются через шибер. Вывод газа из золоуловителя наружу происходит через патрубок в выходное отверстие. Золоуловитель ЗУ может работать при температуре -40 °С до +50 °С. Максимальная температура газов на выходе – до 280 °С.

Условное обозначение

Золоуловитель ЗУ-*, где: З – золоулавливающая; У – установка; * – направление газового потока.

Особенности и преимущества

  • Универсальность эксплуатации устройство может быть использовано как в открытых, так и в закрытых помещениях;
  • Прочная конструкция обусловлена примитивным принципом работы, что минимизирует риск быстрой поломки;
  • <liБольшая работоспособность, благодаря возможности объединения циклонов в блоки;
  • Возможность экономии за счет безотходного производства.

Размещение и установка

Установка золоуловителя ЗУ-2,1 должна производиться специалистами, имеющими опыт работы с аналогичным оборудованием. Устройство может размещаться как в помещении, так и снаружи – непосредственно за котлом или удаленно от него.

Эксплуатация и техническое обслуживание

Устранять неполадки при работе золоуловителя могут только специалисты, которые имеют разрешение на работу с подобными оборудованиями. Эксплуатировать приборы нужно только после теплоизоляции. Очистка золоуловителя должна производиться в охлажденном и проветренном приборе.,/p>

Схемы и чертежи
Следите за новостями в социальных сетях
Наши цифры
скажут за нас все
10
Срок эксплуатации оборудования – более десяти лет
20
Двадцать лет
трудимся для вас
10
Меньше десяти дней
на изготовление товара
500
Более пятисот
точек поставки
Вы смотрели